MVA系列

MVA电压暂降管理装置

MVA电压暂降管理装置:

由高速真空短路+限流阻抗+电压暂降管理控制系统 组合而成。

根据使用场景要求,可选择不同的功能配置,灵活多变,应用广泛。

双电源切换

抬升母线电压

快速隔离功能


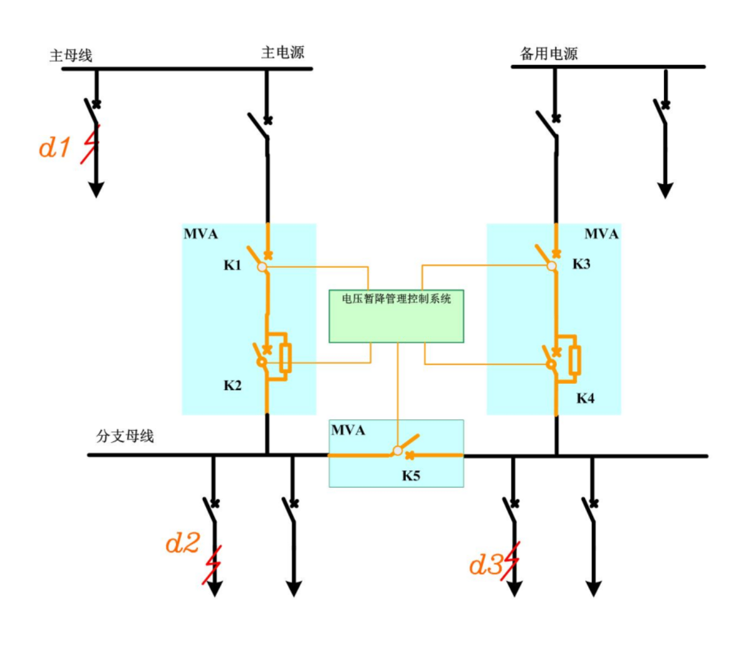
MVA电压暂降管理装置-综合型

MVA电压暂降管理装置-综合型

将快速切换与母线电压保持功能集成一体。

当外网d1发生短路,K1,K3,K5配合动作,实现快速切换。

当下级支路d2或d3发生短路故障,K2,K4,K5配合动作,实现快速提升主母线电压。

图片1.png

Top